CX系列单通道/多通道数粒传感器
选型时请注意:检测区域要足够大以确保在此区域的落料不发生碰撞或重叠。
-
产品特性:
1、金属、非金属材质通用,对2个物体的下落间隔要求低
2、颗粒、薄片、不规则体通用
3、1ms快速响应,on-delay、off-delay可调节
4、自动补光,粉尘警报
5、可拼接多通道满足大规模计数需求
6、牢固的金属结构
规格表:
选型时请注意:检测区域要足够大以确保在此区域的落料不发生碰撞或重叠。
产品型号
CX3068 CX4050
CX4060 CX6080
CX6080(M) EX6080
CX90150
CX2050T4
检测区域
28*68mm 40*53mm 40*63mm 57.6*91.5mm
60*80mm 60.6*80mm
87*147mm
20*50mm
最小分辨率
Φ3mm Φ1.5//Φ5mm
Φ3/Φ5mm
Φ4mm 电源电压
10~30VDC (包括电压波动10%(p-p)以下)
响应时间
1.6ms
1ms
On delay
0~20ms
——
Off delay
0~50ms
——
指示灯
电源灯(绿色),动作灯(红色),警报灯(黄色)
消耗电流
40mA
70mA
负载电流
100mA以下
控制输出
NPN/ PNP(预定)
回路保护
启动延时、电源反接保护、输出短路保护、输出极性反接保护
环境照度
太阳光:50,000lx ;白炽灯:5,000lx
环境温度
动作时:-20~+65℃、保存时:-30~+80℃(不结冰、不结露)
环境湿度
动作时:45~85%RH、保存时:35~95%RH (不结露)
防护等级
IEC IP64
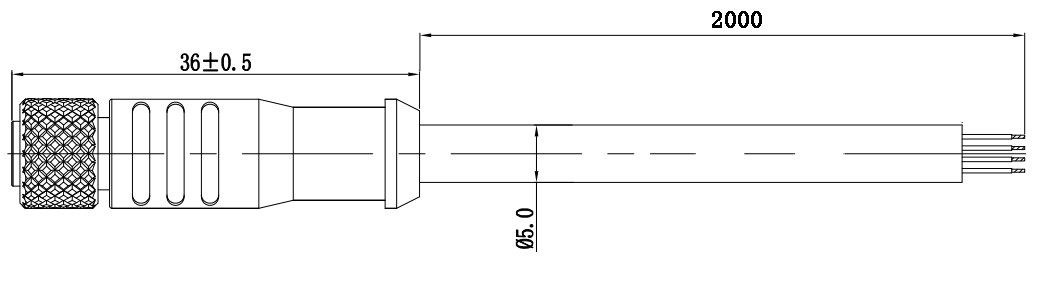
连接方式
M8接插件
M12接插件
线色定义
棕:电源,蓝:地,黑:动作,白:警报
棕:电源,蓝:地,
白绿黑红:动作,黄:警报
材质
铝,黑色阳极
重量
约220g
约108g
约115g 约395g
约125g 约227g
约514g
约414g
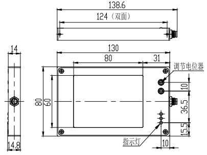
尺寸图:
CX3068

CX4050

CX4060

CX6080

CX6080(M)

EX6080

CX90150

CX2050

应用场合:
小部件产品计数,药丸、种子、颗粒计数包装机,金属、非金属、液滴计数,螺丝、螺帽、垫圈五金件计数等。

配线(两种规格随机发货)


-
-
-
-











