高速光电标签传感器
适用于半透明、不透明标签,100us快速响应!
ꄑ关注:0
-
产品特点:
1、专用IC设计
2、自适应阈值调整,可检测多种不透明标签
3、电源反接保护,输出短路保护
4、插件连接使用更方便
5、最小可测标签间距:2mm
规格参数:
型号
IMS_LABS-O3700-B3P-N 检测方式
对射式
光源
红外
电源
DC10-30V(电压波动10%(p-p)以下) 消耗电流
15mA以下(不包括负载)
负载电流
100mA以下
输出
NPN
指示灯
动作指示灯:橙色,状态指示灯:红色
保护回路
启动延时,电源反接保护,自恢复输出短路保护,输出反接保护 响应时间
100us 灵敏度调节
按键 环境照度
白炽灯:5,000lx以下;太阳光:10,000lx以下 环境温度
动作时:-20~65℃;保存时:-25~70℃(无结冰无结露)
环境湿度
动作时:35%~85%;保存时:35%~95%(无结露)
防护等级
IEC:IP65
连接方式
M8连接器
线色定义
棕:电源,蓝:地,黑:输出,白:teach-in
质量
约15g
材质
塑料,PA(玻璃纤维强化)
附件
规格书,M8连接线
输出回路图:

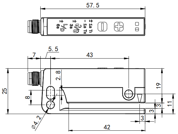
尺寸图:

-
-
-
-
控件[tem_25_34]渲染出错,Source:未将对象引用设置到对象的实例。
控件[tem_25_34]渲染出错,Source:未将对象引用设置到对象的实例。




